Віброкріплення універсальні Vibrofix Uni
Віброкріплення Vibrofix Uni для звукоізоляції вентиляції, трубопроводів та інженерного обладнання.
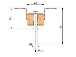
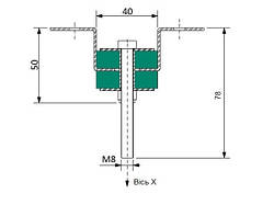
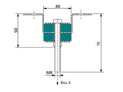
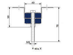
Віброфікс Уні виготовляється з оцинкованої сталі товщиною 2 мм і поліуретанового еластомеру.
Vibrofix Uni вібропідвіси для стелі та стін - універсальні.
Vibrofix Uni застосування:
- Віброкріплення для звукоізоляції інженерного обладнання,
- Віброізолюючий підвіс для повітропроводів вентиляції,
- Звукоізоляція трубопроводів,
- Акустична розв'язка будівельних конструкцій.
Vibrofix Uni технічні характеристики:
| Наіменування віброкріплення |
Колір пружного еластомера |
Діапазон роб. навантажень, кг |
Робоча частота, Гц |
Мінімальна резонансна частота, Гц |
|---|---|---|---|---|
| Vibrofix Uni 28 | синій | 2...3 | >29 | 16 |
| Vibrofix Uni 55 | зелений | 3...6 | >28 | 14 |
| Vibrofix Uni 110 | коричневий | 6...12 | >24 | 13 |
| Vibrofix Uni 220 | червоний | 12...22 | >24 | 14 |
| Vibrofix Uni 450 | сірий | 22...52 | >22 | 14 |
| Vibrofix Uni 3 | помаранчевий | 1,5...3 | >29 | 16 |
| Vibrofix Uni 7 | світло зелений | 3...7 | >28 | 14 |
| Vibrofix Uni 15 | темно зелений | 7...15 | >24 | 13 |
| Vibrofix Uni 25 | бірюзовий | 15...25 | >24 | 14 |
| Vibrofix Uni 35 | світло синій | 25...35 | >22 | 14 |
| Vibrofix Uni 50 | темно синій | 35...50 | >22 | 14 |
- 271,96 ₴Під замовлення Оптом і в роздріб
- 311,40 ₴Під замовлення Оптом і в роздріб
- 353,44 ₴Під замовлення Оптом і в роздріб
Vibrofix Uni усадка пружного елемента в залежності від навантаження на вібропідвіс:













